13776369668
武峰管道
![]() |
![]() |
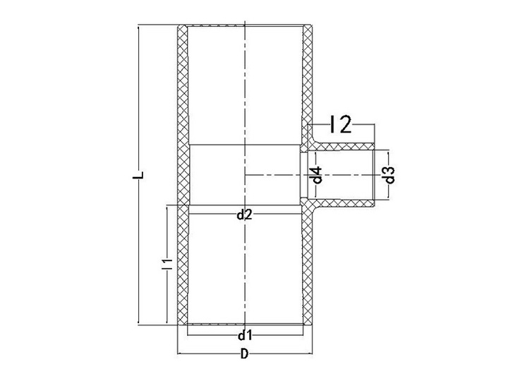
| Nominal | Socket Type | Structural Diameter | |||||||
| SIZE | d1 | d2 | I1 | d3 | d4 | I2 | D | d | L |
| 3/4"*1/2" | 26.45 | 25.42 | 35.0 | 22.40 | 21.52 | 30.0 | 34.0 | 23.5 | 90.0 |
| 1"*1/2" | 32.55 | 31.37 | 40.0 | 22.40 | 21.52 | 30.0 | 41.0 | 30.0 | 105.0 |
| 1"*3/4" | 32.55 | 31.37 | 40.0 | 26.45 | 25.42 | 35.0 | 41.0 | 30.0 | 105.0 |
| 1-1/4"*/2" | 38.60 | 37.31 | 44.0 | 22.40 | 21.52 | 30.0 | 47.0 | 36.0 | 118.0 |
| 1-1/4"*3/4" | 38.60 | 37.31 | 44.0 | 26.45 | 25.42 | 35.0 | 47.0 | 36.0 | 118.0 |
| 1-1/4"*1" | 38.60 | 37.31 | 44.0 | 26.45 | 25.42 | 35.0 | 47.0 | 36.0 | 118.0 |
| 1-1/2"*1/2" | 48.70 | 47.21 | 55.0 | 22.40 | 21.52 | 30.0 | 58.0 | 45.5 | 146.0 |
| 1-1/2"*3/4" | 48.70 | 47.21 | 55.0 | 26.45 | 25.42 | 35.0 | 58.0 | 45.5 | 146.0 |
| 1-1/2"*1" | 48.70 | 47.21 | 55.0 | 32.55 | 31.37 | 40.0 | 58.0 | 45.5 | 146.0 |
| 1-1/2"*1-1/4" | 48.70 | 47.21 | 55.0 | 38.60 | 37.31 | 44.0 | 58.0 | 45.5 | 146.0 |
| 2"*1/2" | 60.80 | 59.10 | 63.0 | 22.40 | 21.52 | 30.0 | 70.0 | 57.0 | 156.0 |
| 2"*3/4" | 60.80 | 59.10 | 63.0 | 26.45 | 25.42 | 35.0 | 70.0 | 57.0 | 156.0 |
| 2"*1" | 60.80 | 59.10 | 63.0 | 32.55 | 31.37 | 40.0 | 70.0 | 57.0 | 156.0 |
| 2"*1-1/4" | 60.80 | 59.10 | 63.0 | 38.60 | 37.31 | 44.0 | 70.0 | 57.0 | 156.0 |
| 2"*1-1/2" | 60.80 | 59.10 | 63.0 | 48.70 | 47.21 | 55.0 | 70.0 | 57.0 | 156.0 |
| 2-1/2"*1-1/2" | 76.60 | 75.30 | 64.0 | 48.70 | 47.21 | 55.0 | 88.0 | 73.8 | 183.0 |
| 2-1/2"*2" | 76.60 | 75.30 | 64.0 | 60.80 | 59.10 | 63.0 | 88.0 | 73.80 | 183.0 |
| 3"*1-1/2" | 89.60 | 88.29 | 64.0 | 48.70 | 47.21 | 55.0 | 102.0 | 86.8 | 198.0 |
| 3"*2" | 89.60 | 88.29 | 64.0 | 60.80 | 59.10 | 63.0 | 102.0 | 86.8 | 198.0 |
| 3"*2-1/2" | 89.60 | 88.29 | 64.0 | 76.60 | 75.30 | 64.0 | 102.0 | 86.8 | 198.0 |
| 4"*2" | 114.70 | 113.20 | 84.0 | 60.80 | 59.10 | 63.0 | 129.4 | 110.0 | 253.0 |
| 4"*2-1/2" | 114.70 | 113.20 | 84.0 | 76.60 | 75.30 | 64.0 | 129.40 | 110.0 | 253.0 |
| 4"*3" | 114.70 | 113.20 | 84.0 | 89.60 | 88.29 | 64.0 | 129.4 | 110.0 | 253.0 |
相關產品