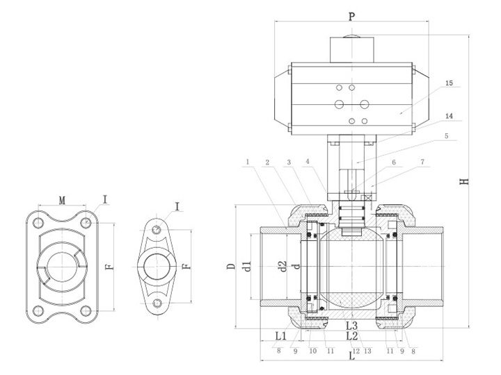
氣動閥門
     
            
       
	
		
			| 
				序號 | 
			
				名稱 | 
			
				材質 | 
			
				數量 | 
			
				單位 | 
		
		
			| 
				3\4\8\9 | 
			
				oring圈 | 
			
				EPDM ∕ VITON | 
			
				7 | 
			
				pcs | 
		
		
			| 
				01 | 
			
				平承口 | 
			
				UPVC ∕ CPVC∕PPH | 
			
				2 | 
			
				pcs | 
		
		
			| 
				02 | 
			
				螺帽 | 
			
				UPVC ∕ CPVC∕PPH | 
			
				2 | 
			
				pcs | 
		
		
			| 
				05 | 
			
				轉接頭 | 
			
				SUS304 | 
			
				1 | 
			
				pcs | 
		
		
			| 
				06 | 
			
				桿 | 
			
				UPVC ∕ CPVC ∕ PPH | 
			
				1 | 
			
				pcs | 
		
		
			| 
				07 | 
			
				支架 | 
			
				UPVC / SUS304 | 
			
				1 | 
			
				pcs | 
		
		
			| 
				10 | 
			
				內襯 | 
			
				UPVC ∕ CPVC ∕ PPH | 
			
				1 | 
			
				pcs | 
		
		
			| 
				11 | 
			
				止瀉環 | 
			
				PTFE | 
			
				2 | 
			
				pcs | 
		
		
			| 
				12 | 
			
				球 | 
			
				UPVC ∕ CPVC ∕ PPH | 
			
				1 | 
			
				pcs | 
		
		
			| 
				13 | 
			
				本體 | 
			
				UPVC ∕ CPVC ∕ PPH | 
			
				1 | 
			
				pcs | 
		
		
			| 
				14 | 
			
				螺絲 | 
			
				SUS304 | 
			
				6-8 | 
			
				pcs | 
		
		
			| 
				15 | 
			
				氣動頭 | 
			
				SUS304 | 
			
				1 | 
			
				pcs | 
		
	
 
	UNIT:MM
	
		
			| 
				SIZE | 
			
				D | 
			
				D1 | 
			
				D2 | 
		
		
			| 
				ANSI | 
			
				DIN | 
			
				JIS | 
			
				CNS | 
			
				ANSI | 
			
				DIN | 
			
				JIS | 
			
				CNS | 
		
		
			| 
				1/2"(15) | 
			
				15 | 
			
				21.40 | 
			
				20.25 | 
			
				22.30 | 
			
				22.40 | 
			
				21.25 | 
			
				20.05 | 
			
				21.85 | 
			
				21.90 | 
		
		
			| 
				3/4"(20) | 
			
				20 | 
			
				26.75 | 
			
				25.25 | 
			
				26.30 | 
			
				26.40 | 
			
				26.58 | 
			
				25.05 | 
			
				25.85 | 
			
				25.90 | 
		
		
			| 
				1"(25) | 
			
				25 | 
			
				33.52 | 
			
				32.25 | 
			
				32.33 | 
			
				34.50 | 
			
				33.28 | 
			
				32.05 | 
			
				31.85 | 
			
				33.90 | 
		
		
			| 
				1-1/4"(32) | 
			
				32 | 
			
				42.28 | 
			
				40.25 | 
			
				38.43 | 
			
				42.50 | 
			
				42.05 | 
			
				40.05 | 
			
				37.85 | 
			
				41.90 | 
		
		
			| 
				1-1/2"(40) | 
			
				40 | 
			
				48.40 | 
			
				50.25 | 
			
				48.46 | 
			
				48.60 | 
			
				48.12 | 
			
				50.05 | 
			
				47.75 | 
			
				47.90 | 
		
		
			| 
				2"(50) | 
			
				50 | 
			
				60.45 | 
			
				63.25 | 
			
				60.56 | 
			
				60.60 | 
			
				60.18 | 
			
				63.05 | 
			
				59.75 | 
			
				59.90 | 
		
		
			| 
				2-1/2"(65) | 
			
				63 | 
			
				73.30 | 
			
				75.25 | 
			
				76.60 | 
			
				76.70 | 
			
				72.85 | 
			
				75.05 | 
			
				75.87 | 
			
				75.90 | 
		
		
			| 
				3"(80) | 
			
				75 | 
			
				89.25 | 
			
				90.35 | 
			
				89.60 | 
			
				89.70 | 
			
				88.70 | 
			
				90.05 | 
			
				88.83 | 
			
				88.90 | 
		
		
			| 
				4"(100) | 
			
				90 | 
			
				114.60 | 
			
				110.35 | 
			
				114.70 | 
			
				115.00 | 
			
				114.10 | 
			
				110.05 | 
			
				113.98 | 
			
				113.80 | 
		
	
 
	UNIT:MM
	
		
			| 
				SIZE | 
			
				D | 
			
				L | 
			
				L1 | 
			
				L2 | 
			
				L3 | 
			
				P | 
			
				H | 
			
				F | 
			
				M | 
			
				I | 
			
				Operating torque(N.M) | 
		
		
			| 
				1/2"(15) | 
			
				54.00 | 
			
				106.00 | 
			
				23.00 | 
			
				60.00 | 
			
				52.00 | 
			
				84.00 | 
			
				148.00 | 
			
				31.00 | 
			
				- | 
			
				M6 | 
			
				2.0 | 
		
		
			| 
				3/4"(20) | 
			
				63.00 | 
			
				114.00 | 
			
				26.00 | 
			
				62.00 | 
			
				54.00 | 
			
				90.00 | 
			
				153.00 | 
			
				33.00 | 
			
				- | 
			
				M6 | 
			
				2.5 | 
		
		
			| 
				1"(25) | 
			
				73.50 | 
			
				128.00 | 
			
				29.00 | 
			
				70.00 | 
			
				62.00 | 
			
				106.00 | 
			
				184.00 | 
			
				40.00 | 
			
				- | 
			
				M6 | 
			
				4.0 | 
		
		
			| 
				1-1/4"(32) | 
			
				84.50 | 
			
				144.00 | 
			
				33.00 | 
			
				78.00 | 
			
				70.00 | 
			
				116.00 | 
			
				190.00 | 
			
				52.00 | 
			
				- | 
			
				M8 | 
			
				5.0 | 
		
		
			| 
				1-1/2"(40) | 
			
				98.00 | 
			
				158.50 | 
			
				35.50 | 
			
				87.50 | 
			
				79.50 | 
			
				128.00 | 
			
				196.00 | 
			
				52.00 | 
			
				- | 
			
				M8 | 
			
				7.5 | 
		
		
			| 
				2"(50) | 
			
				118.00 | 
			
				172.00 | 
			
				38.50 | 
			
				95.00 | 
			
				85.00 | 
			
				140.00 | 
			
				245.00 | 
			
				70.00 | 
			
				- | 
			
				M8 | 
			
				8.5 | 
		
		
			| 
				2-1/2"(65) | 
			
				150.00 | 
			
				278.00 | 
			
				64.50 | 
			
				144.50 | 
			
				132.50 | 
			
				198.00 | 
			
				287.00 | 
			
				84.00 | 
			
				45.00 | 
			
				M10 | 
			
				13 | 
		
		
			| 
				3"(80) | 
			
				169.00 | 
			
				310.00 | 
			
				70.00 | 
			
				166.00 | 
			
				150.00 | 
			
				218.00 | 
			
				296.00 | 
			
				84.00 | 
			
				45.00 | 
			
				M10 | 
			
				16 | 
		
		
			| 
				4"(100) | 
			
				190.00 | 
			
				352.00 | 
			
				84.00 | 
			
				181.00 | 
			
				157.00 | 
			
				235.00 | 
			
				330.00 | 
			
				121.00 | 
			
				49.00 | 
			
				M12 | 
			
				25 |